★ HARDWARE Manual ★ SCSP User's Manual Figure 4.55 Sound interrupt signal connection diagram
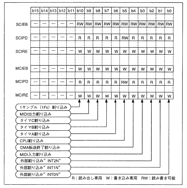
Figure 4.56 Interrupt register bit support
| bit | Interrupt factor |
| 0 | Supports interrupt input of external interrupt input "INT0N" |
| 1 | Supports interrupt input of external interrupt input "INT1N" |
| 2 | Supports interrupt input of external interrupt input "INT2N" |
| 3 | Supports MIDI input interrupt An interrupt is generated when data is fetched from the empty FIFO buffer memory on the MIDI-IN side. It reads all the data from the FIFO buffer and is automatically cleared when the buffer is free. |
| Four | Supports DMA transfer end interrupt An interrupt is generated when the DMA transfer using the SCSP built-in DMA is completed (when all the data transfer of the block (length (quantity)) set in "DLG" is completed). |
| Five | Supports CPU manual interrupt You can interrupt the sound CPU or interrupt the main by writing to the CPU (main and sound). Writing "1B" will cause an interrupt ("0B" is invalid). |
| 6 | Supports timer A interrupt |
| 7 | Supports timer B interrupt |
| 8 | Supports timer C interrupt |
| 9 | Supports MIDI output interrupt An interrupt request is generated when the memory of the FIFO buffer on the MIDI-OUT side is empty. When data is written to the MIDI-OUT buffer memory (register) and it is no longer free, the interrupt is automatically released. |
| Ten | Supports interrupts for each sample (1 sample = 22.68 μsec = 1 / 44.1K time interval). |
| 11 to 15 | invalid |
Figure 4.57 Correspondence between 3-bit code and register
Figure 4.58 Interrupt level setting register format
★ HARDWARE Manual ★ SCSP User's Manual